Products and promotions may differ based on your selected region.
多圈绝对值编码器: MAR-HX60A □40十字联轴器

满足广泛用途的超中端系列多圈规格十字联轴器型
尼康的绝对值编码器(旋转编码器)采用独创的光学技术和应用了M系列的绝对图案技术,同时实现了小型化与高可靠性。本产品广泛应用于汽车制造生产线中的工业机器人和机床等各种工业机械领域,作为能够以绝对值检测机器臂等的旋转位移的传感器标准产品,广受客户好评。
主要特点
- 实现高分辨率
- 实现高温场景应用
主要用途
适用于工业机器人、服务机器人及贴片机等所使用的小型AC伺服电机。
编码器
| 分辨率 | 单圈 | 最大27 bit(134,217,728总步数) |
| 多圈 | 最大16 bit(65,536圈) | |
| 响应转速 | 主电源开启时 | 6,000 min-1 |
| 备用电源工作时 | 6,000 min-1 | |
| 电源电压 | 主电源开启时 | DC 5(±10%)V |
| 备用电源工作时 | 3.6 V DC | |
| 工作电流 | 正常工作时 | 80 mA(TYP) |
| 使用外部电池时 | 55μA (TYP) | |
| 工作温度范围 | ‒20 to +95°C | |
| 轴惯性矩 | 21.5 × 10-7 kg・m2 | |
| 允许角加速度 | 1.0 × 105 rad/sec2 | |
| 通信协议 | A-format® | |
| 传输标准 | 符合EIA标准RS-485 | |
| 传输方式 | NRZ半双工串行通信 | |
| 波特率 | 2.5 Mbps(选配:4 Mbps-16 Mbps) | |
| 信号线数 | 4线 | |
| 非易失性存储器可访问区域 | 3.75K位(240×16位) | |
| 温度传感器 | 支持 | |
| 总线连接 | 支持 | |
| 选配 | 最多可总线连接8台编码器 | |
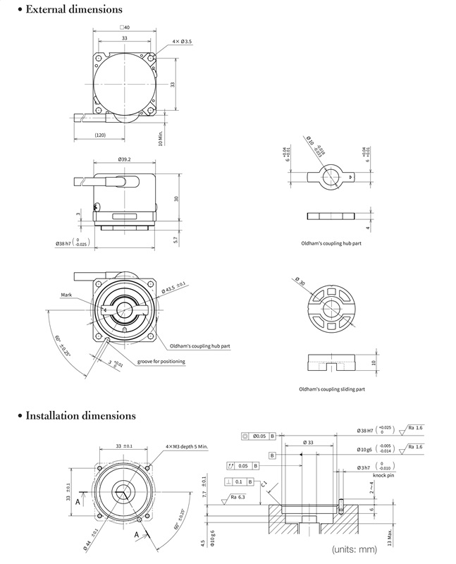
| 尺寸 | 外径(Φ) | 40 mm |
| 高度 | 30 mm (TYP) | |


